麻豆国产91在线播放,麻豆视频官网,黄色麻豆APP下载,麻豆天美传媒在线观看
欢迎光临 [ 无锡麻豆国产91在线播放气动液压工程有限公司 ] 官方网站!
网站首页
|
联系麻豆国产91在线播放
|
网站地图
0510-88230668
网站首页
公司简介
产品中心
新闻资讯
企业文化
联系麻豆国产91在线播放
企业招聘
企业邮箱
麻豆视频官网
黄色麻豆APP下载
麻豆天美传媒在线观看
重载液压油缸
轻型拉杆式液压油缸
冶金设备液压油缸
重型冶金设备液压油缸
位移传感式伺服液压油缸
磁性感应液压油缸
齿轮齿条摆动油缸
油路模块
多通路液压旋转接头
气缸系列
气动控制系列
气源处理系列
气动附件
气液性能测试台
新闻资讯
2026年春节放假通知
麻豆视频官网的保持扭矩有什么用
了解一下液压油缸的分解和维修
你知道如何清洗液压油缸吗
讲讲液压泵站的工作原理
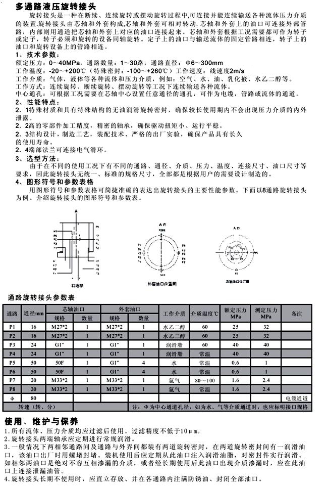
多通路液压旋转接头
当前位置:
首页
>
产品中心
>
多通路液压旋转接头
>
多通路液压旋转接头
上一篇:
油路模块
下一篇:
QGS基本型
相关产品
多通路液压旋转接头
点击图片进入详情
快速链接:
网站主页
公司简介
产品中心
新闻资讯
企业文化
联系麻豆国产91在线播放
企业招聘
企业邮箱
网站地图
产品列表
麻豆视频官网
黄色麻豆APP下载
麻豆天美传媒在线观看
重载液压油缸
轻型拉杆式液压油缸
冶金设备液压油缸
重型冶金设备液压油缸
位移传感式伺服液压油缸
磁性感应液压油缸
齿轮齿条摆动油缸
油路模块
多通路液压旋转接头
气缸系列
气动控制系列
气源处理系列
气动附件
气液性能测试台
联系麻豆国产91在线播放
总经理:邓先生 13906187322
电 话:0510-88230668
传 真:0510-88230985
网 址:www.dqgoou.com
邮 箱:sales@wxadyy.com
邮 箱:168dengjianping@163.com
地 址:无锡市新吴区坊前工业园
QQ 在线咨询:
邓经理(
)
卢经理(
)
Copy right © 2018 无锡麻豆国产91在线播放气动液压工程有限公司 版权所有 All Rights Reserved
苏ICP备47406829号-3
Rolled tube
滑环
机械搅拌器
开炼机
水下切割
沥青热再生
刮板薄膜蒸发器
精馏塔
双螺旋混合机
列管换热器
沥青搅拌站
废纸打包机
空气热交换器
可拆板式换热器
列管式冷凝器
丝杆
犁刀混合机
V型混料机
列管冷凝器
活塞杆
展开
收缩
无锡麻豆国产91在线播放气动液压工程有限公司
在线客服
在线客服
电话:0510-88230668
网站地图